SWITZERLAND
 

Meto-Fer Automation AG
Maienstrasse 6
CH-2540 Grenchen
Phone: +41 32 654 57 57
Fax: +41 32 654 57 60
e-mail: info@meto-fer.ch

USA

mf automation, Inc.
355 Wyoming Street
Pittsburgh, PA 15211-1739 USA
TOLL FREE (in the US): 1-888-METO-FER
Phone: 412-488-3488
Fax: 412-488-3498
e-mail: info@meto-fer.com

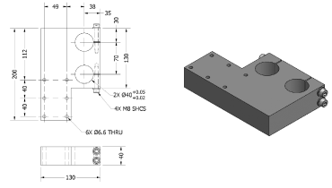
SD 01.009 Mounting Plate / LH for Industrial Automation

Mounting Plate / LH
SD 01.009 - 200 mm

SD 01.009 Mounting Plate / LH

SD 01.009 2D DWG file (right click this link)
SD 01.009 2D DXF file (right click this link)
SD 01.009 3D AutoCAD file (right click this link)

Download a PDF of the Stands, Modular Mounting Brackets and Adapter Plates section of the MF Automation Product Catalog (right-click this link).

To download the 2D and 3D CAD files, right-click on the above links and choose "Save target as". Decompress the zipped archive that downloads to your computer, and open with appropriate AutoCAD software.

To achieve peak operation of precise, dynamic handling systems, a robust, vibration resistant supporting structure is essential. Only with such a structure is it possible to exploit the high repeat accuracies and speeds of the individual elements. Our ground, chromium plated single and double columns allow precise, simple clamping and adjustment of mounting plates and transverse connectors. Through the use of these standard modular components, a wide range of mounting arrangements can be easily configured.


A complete line of automation components
Our product offering includes pneumatic automation components, pneumatic linear components, pneumatic linear units, linear slides, vertical components, vertical modules, vertical units, elevating tables, standard roller slides, X-Y linear components, ball screw x-y tables, ball screw linear components, alignment slides, precision miniature linear actuators, rotary actuators, rotary actuator components, rotary gripper heads, mini linear actuators, miniature robotic grippers, modular compact grippers, angular motion grippers, semi-parallel motion grippers, parallel motion grippers, gripper automation components, oil cushions for automation components, elastomer cushions for automation components, flow controls for automation components, vacuum units for industrial automation components, suction cups for industrial automation components... a wide variety of quality pneumatic components for many industrial automation applications.


To request more information about our products, please use our online information request form, or call us today at 1-888-METO-FER.

BACK TO THE TOP